Das Druckgussverfahren verwendet eine Hochgeschwindigkeitsinjektion von geschmolzenem Aluminium in die Druckgussform und eine Druckhalte- und Kühlformung. Die Vorteile sind: hohe Produktionseffizienz, niedrige Kosten, gute Oberflächenqualität und hohe Maßgenauigkeit. Die Nachteile liegen auch auf der Hand, die Formkosten sind hoch, die Dichte ist nicht hoch.
Die innere Struktur neigt zum Schrumpfen und Lösen, und es gibt viele Poren und Schlacken in den inneren Poren (weil die Aluminiumflüssigkeit mit einer großen Menge Luft gemischt wird, um Poren und Schlackenporen während der Hochgeschwindigkeitsinjektion zu bilden) und die mechanische Festigkeit und Dehnung sind gering (dies liegt daran, dass der Druckguss nicht verwendet werden kann, da die T6-Wärmebehandlung die Festigkeit erhöht. Der Grund, warum eine T6-Wärmebehandlung nicht durchgeführt werden kann, liegt darin, dass im Inneren eine große Anzahl von Poren vorhanden ist. Die geringe Dehnung liegt daran, dass die Der Eisengehalt des Aluminiumdruckgusses ist zu hoch, und je höher der Eisengehalt ist, desto geringer ist die Dehnung. Schlechte Luftdichtheit. Teile müssen häufig vakuumversiegelt werden, um die Schrumpfung und Porosität des Gussstücks abzudichten. Und kann einige Produkte mit kompliziertem Innenhohlraum nicht produzieren, wie z. B. Verteilerkühlmittel, Ansaugkrümmer, Auslass- und Einlassrohr, Turboladergehäuse ......
Auslass- und Einlassrohr durch Schwerkraftguss
Die Schwerkraftguss Das Verfahren verwendet ein Verfahren zum langsamen Gießen von geschmolzenem Aluminium in eine Gießform und zum natürlichen Abkühlen. Die Vor- und Nachteile sind genau das Gegenteil von Druckguss. Das produzierte Produkt hat eine komplexe Struktur und eine gleichmäßige und dichte interne Organisation. Durch gutes Formdesign können die Aluminiumgussteile keine Schlackenlöcher im Inneren haben und das Produkt kann durch T6-Wärmebehandlung verstärkt werden. Die endgültigen Aluminiumgussteile weisen eine hohe mechanische Festigkeit, eine gute Dehnung und eine gute Luftdichtheit auf.

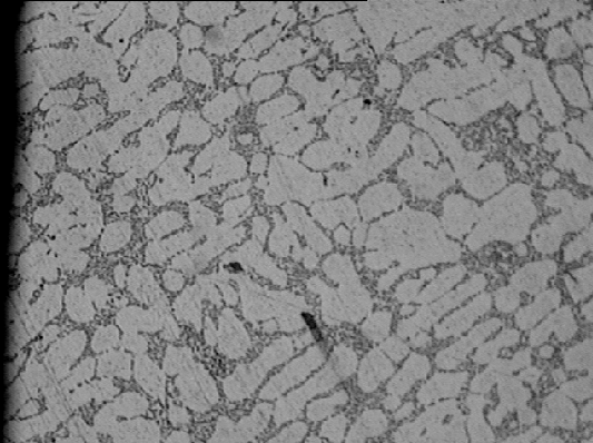
Mikrostruktur des Aluminium-Schwerkraftgusses
Da die inneren Poren für das bloße Auge unsichtbar sind, können wir mit einem Röntgengerät eine Röntgeninspektion des Aluminiumgusses durchführen und unter Röntgenstrahlen den inneren Zustand des Aluminiumlegierungsgusses deutlich erkennen.